2021年11月13日 星期六

認識Doherty Amplifier前你應該先認識什麼是PA負載調變Load Modulation


    每次新款手機推出的時候,都會提到處理器用了最新的架構,什麼2大核4小核,或用上最先進的制程7nm, 5nm, 3nm處理器,但從3G, 4G5G卻鮮少有手機廣告會說用了什麼”XX架構功率放大器。

    Doherty功率放大器這個已經存在很久的PA架構,在基地台放大器也經常看到此設計,但在手機功率放大器聽說出現了一顆”X英雄聽說用了Doherty放大器這架構,頓時讓Doherty功率放大器這架構在PA界又紅又火,每個朋友都在打聽”X英雄是什麼名頭,Doherty功率放大器是什麼?


    功率放大器從移動通訊從3G, 4G演會到現在的5G,手機愈來愈耗電,除了內部處理器耗電增加外,線性度增加也讓功率放大器效率惡化變成電池殺手主力之一,所以才有人一直不想要從4G更換到5G,或明明是5G手機也不願意開啟5G的功能,為了節省電力射頻功率放大器供電系統也出現了APT (Average Power Tracking)到後面進階ET (Envelope Tracking)省電技術,但功率放大器本身也是不斷的從制程與架構不斷的提升,但進度的幅度沒有這幾年處理器從7nm演化到3nm這麼亮眼,Doherty功率放大器出現在手機的確令人眼睛為之一亮,今天就來淺談此架構的前導技術負載調製Load Modulation”

 

被動式負載阻抗 (Passive Load Impedance)

    什麼是阻抗(Impedance)? 簡單的定義就是輸出端或輸入端的電壓與電流的比值ZL=V/I,如下是個簡單共集極放大器結構(Common Emitter Amplifier),假設電晶體Transistor最大電流Imax 1A,一般HBT電晶體本身breaking down voltage 10V – 13V之間,抓個餘量Vmax設定在10V,這也是一般HBT功率放大器工作電壓電壓Vdc一般最大就在5V左右,參考功率放大器負載線理論[1]可以算出這顆電晶體最佳負載為Ropt10Ω,輸出飽和功率為:

P=(1/8)*Ipp^2*Ropt, Ipp=1A, Ropt=10 Ω

計算可得功率P1.25W31dBm



     簡化一下線路圖,假設在RF choke電感與DC block去耦電容夠大,那射頻訊號下RF choke電感會呈現高阻(jwL)也就是往上看不到,DC block去耦電容會呈現低阻(1/jwC)也就是往右變透明,可以把這兩個元件從線路上移除。

    當功率放大器接著一個電阻負載Ropt,輸出電流Iout, 依照歐姆定律輸出端的電壓Vout =-Iout x Ropt,可以計算到輸出阻抗為:

ZL=Vout/-Iout=Ropt…….

這好像跟沒講一樣,輸出連接電阻Ropt那負載ZL不等於Ropt不然會等於其他數值嗎?



主動式負載阻抗 Active Load Impedance

      被動負載Ropt在加掛一個AUX放大器,同時輸出電流給Ropt,這時候PA看到的負載Zout=Vout/Iout,此時Iout會因為AUX放大器額外的電流Iadd注入,流過Ropt的電流會變成Iout’ = Iout + Iadd,這時候放大器看到的輸出阻抗:

Zout=Vout/Iout

算起來會比Ropt來的大,當然控制AUX輸入訊號從同相變成反相也可以讓ZoutRopt來的小。



       如果我們能控制AUX的任意相位與大小,也就是Zout你要多少就是多少 這不就是Load Pull負載偏移嗎這個應用已經在實際的商品,如下圖Focus Microwaves Active Load Pull的架構,裡面的Injection Amplifier控制DUT看到的反射波大小來達到任意反射係數Γ,而且Γ還可以大於1



電晶體合併 Transistors in Parallel

    上述的例子單位電晶體最大功率1.25W/31dBm,但功率不夠大想要在大一點,直觀上就並聯兩顆相同的電晶體Q1 + Q2,那總電流Imax不就變成兩倍嗎?但這時候Q1看到的負載Z1會等於Ropt? 在看一下阻抗的定義:

Z = V/I

所以當Q1輸出電流I1, Q2Q1完全相同,偏壓工作點都相同自然地Q2輸出電流I2也會等於I1,所以整體輸出電流:

Iout = I1+I2=2 x 1, 2A, Vout = Ropt x Iout =Ropt x 2 x I1

此時Q1看到的負載Z1為:

Z1=V/I = Vout/I1 = 2 x Rpot = 20Ω……



實際負載電阻Ropt還是10 Ω Q1也是輸出了I1電流,但Q1看到的阻抗Z1卻變成20Ω,我們換個說法:

負載 Load Ropt10 Ω被調制到20Ω”

其實跟剛剛的主動負載類似,你也可以說Q2Q1的主動負載,那這樣的結果最大功率輸出能從1.25W變成2.5W變成兩倍嗎?

下圖看一下Q1的負載線LoadLine,因為Q1看到的負載阻抗已經從10 Ω被調製到20 Ω,在偏壓點Iqc不變的情況下往左最高電流只能到0.75A,而且往右最大電壓會超過10V的限制。

那我們調整一下偏壓點Iqc0.25AQ1的最大電壓擺幅控制在10V,但是最大電流只能到0.5A,沒有辦法壓榨Q1原始的極限Imax=1A出來。

 



    其實這問題把Q1Q2合併成一顆電晶體來看就更容易理解了,合併後電晶體的最大輸出電流最終會變成兩倍,但Vmax因為是並聯所以維持不變,合併後重新計算最佳負載Ropt5 Ω



 

    把負載Ropt改成在計算一次就可以得到1.25W功率合併的效果,最大輸出功率變成2.5W34dBm



功率回退效率

 

設計一:Q1 only, Vmax 10V, Vdc 5V, Imax 1A, Iqc 0.5A, Ropt 10Ω

設計二:Q1+Q2, Vmax 10V, Vdc 5V, Imax 2A, Iqc 1A, Ropt 5 Ω

設計一與設計二輸出功率分別為1.25W/31dBm2.5W/34dBm,此時如果輸出功率只需要25dBm,設計一Q1 only效率為12.5%,但設計二高功率Q1+Q2效率就只剩下6.25%





    上面的案例可以瞭解到,當功率放大器輸出功率設計變大2倍或3dB,功率回退Power Backoff下的效率都會變差,但小朋友才做選擇,

高功率我要,回退效率我也要

Q2的輸入與輸出塞入一個開關,小功率輸出的時候把Q2關掉,只讓Q1工作,直到Q1電流達到Imax也就是1A後在把Q2在打開,這樣效率曲線就會如下面綠色箭頭一樣,在功率小於28dB(31dBm-3dB)時候獲得改善。





    這原理跟主動負載類似,在不同狀況下改變負載達到最佳化的目的,其實有點算是負載調變(Load Modulation)的概念。

    Doherty Amplifier的架構概念其實很類似,介紹前我們先介紹一個不常在手機匹配網路出現的1/4λ阻抗匹配網路,因為元件小型化的關係,1GHz在空氣中的波長都30cm1/4波長也有7.5cm,即使在FR4的基版上也差不多3cm左右,這很難在現在的模組真的放入1/4λ傳輸線,一般會用電容與電感等校模型來完成,但這裡不熟悉的朋友也沒關係,知道1/4λ阻抗有以下的轉換特性就好。





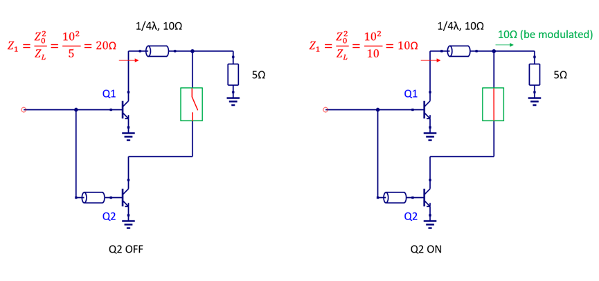
    下圖是一個傳統Doherty Amplifier的架構,輸出功率小的時候Q2 OffZL負載為5 Ω經過1/4λ傳輸線(10 Ω),可以得到Z120Ω

    Q1Q2同時開啟,由上面提到負載調製,Q1Q2電流輸出相同,ZL會由5 Ω被調製到10Ω,此時經過1/4λ傳輸線Q1的阻抗Z1會變成10 ΩQ2看到的阻抗因為對稱Z2也為10 Ω

    如果用Q1Q2都是Class A線性功率放大器,Q1因為Q2關閉前是看到20 ΩQ1偏壓工作點Iqc維持在Q1Q2同時開啟的條件相同Iqc=0.5A,結果與上面電晶體並聯(transistors in parallel)的案例,Q1看到的結果相同。







     但假設我們可以在任意的時間點控制Q1電晶體的偏壓工作點Iqc與切換時間,因為Q1 only 看到的阻抗為20 Ω,小功率操作下可以先把Iqc偏壓在0.25A, 這時候Q1還是一個線性功率放大器Class A的工作邏輯,但效率鋒值可以達50%,輸出最大功率為28dBm,當功率輸出超過28dBm時候Q2打開,這時候負載會從5 Ω被調製到10 Ω,整體效率會先掉,隨著功率增加又回到50%







    當然實際的Doherty Amplifier並不會有Q2路徑上面的開關,課本上[2]經典的分析也都是Q1偏壓在Class ABQ2偏壓在Class C類,再利用1/4波長阻抗轉換特性與技巧達成小功率Q1看到高阻抗的效果,其實用開關切匹配路徑本身也算是一種負載調製,只是開關本身有插損,再加上要多一路或多路的匹配網路,整體的設計難度。



結論

    Doherty Amplifier負載調製讓每個功率在最適合的負載達到功率放大器的完美slogan

飽和功率大,回退效率高

完美符合移動通訊的需求,但天底下沒有白吃的午餐,Doherty Amplifier本身最大的問題就是線性度,傳統Doherty放大器 Q1工作點為Class ABQ2工作點為Class C,這兩種偏壓工作點尤其Class C都是對線性度非常不友善,傳統Doherty放大器都是需要搭配DPD (Digital Predistortion)在使用,要靠純電路(Analog Predistortion)還要對制程P電壓V溫度T (PVT)還有天線阻抗都達到最佳補償。

    要能夠滿足這些肯定是有學問與難度在裡面,不然早就遍地開花了,每一家都推出”XX英雄系列了,射頻功率廠商也都在研發自己的獨到技術,達到飽和功率大,回退效率高每個技術都有其優點與缺點,把其中一項玩轉到極致大概就可以在市場是佔有一席之地了,無論這個”X英雄到底是用了什麼技巧?其實不太重要,重要的事最後的目的有沒有達到。

 

參考文章

[1] RF Power Amplifier 剛剛好的輸出功率與負載線Load Line淺談,選功率放大器跟買車其實很像

https://zhuanlan.zhihu.com/p/622945484

 

[2] Steve C. Cripps RF Power Amplifier for Wireless Communications, CH10.

 


熱門文章