2023年7月8日 星期六

平衡式功率放大器(Balanced Power Amplifier)是否能抵抗輸出阻抗失配,改善健壯性Ruggedness與電流失配下一致性Current Variation?

 前言

    現在功率放大器PA功率越搞越高,原本傳統的Single-Ended架構已經不夠用,都需要一些新的功率合併的方法,目前常見的功率合併方法大概有以下這幾種[1]Push Pull, Balance Amplifier, Power Combiner, Multistage Amplifier等等,比較常見也最早在移動通訊PA Module出現的是Push Pull或稱差分放大器Differential Power Amplifier,這也是筆者目前打工的銳石創芯的核心技術之一,還有很多核心技術以後有機會在跟大家介紹。 

 


    手機功率放大器主要特性基本的線性度高,效率高外,失配下的健壯性測試Ruggedness under mismatching變成一個相對的關鍵指標,其實也可以理解,PA Module越賣越便宜,在整台手機成本相比下其實沒多少前,但手機只要是PA壞了整台手機也就壞了,為了便宜那幾毛錢,與壞了一台手機的維修成本想比之下,其實不一定划算,當然如果能有一個PA是又便宜、性能又好、元件又耐操不會壞那當然最好(銷售就可已躺平數鈔票了)。

    為了改善這指標每一家射頻廠商對功率放大器的架構與製程管理進行了很多探討,上次介紹了功率放大器合併方法[2] ” 手機功率放大器功率合併的方法Smart Phone Power Amplifier Power Combination Method”裡面有提到平衡式放大器對輸出阻抗與輸入阻抗失配的時候,能會會被隔離埠(ISO PORT)的負載電阻吸收,功率放大器的阻抗會相對穩定,後面有客戶跟我討論了這問題,發現這樣描述其實有問題,今天就花點時間整理一下平衡式放大器容易造成誤解的地方

 

平衡式放大器抗失配Mismatching? 所以PA Ruggedness可以提升?

 

    我們再讀一下[3] Steve C. Cripps 書中Chapter 13.2的描述:“The principal advantage of this configuration is that any mismatch reflections from the amplifiers pass back through the couplers and appear in anti-phase and therefore cancel at the RF input (or output) port

[3] mini-circuit blog 這篇文章中提到balanced-amplifier特性這段話:

Any mismatches introduced by the amplifiers, at either the input or output, will largely be dissipated in the load of the isolated port of the 90° hybrids.

    都有提到失配mismatch”,”吸收抵銷cancel”,雖然關鍵字都有了,但當我們詳細閱讀一下本文,這裡的反射是要從輸入端input與輸出端outputPA單體內看進去,這裡我們複習一下two port網路放大器的input impedance, output impedance, load impedance and source impedance定義的方向,Γin與Γout是往PA輸入與輸出看進去,所以你可以簡單粗暴想像就是S11 and S22

 

    有了這個概念我們就可以來討論為什麼平衡式Balanced-Amplifier為什麼要選擇3dB 90度耦合器或功率合路器,假設兩個一模一樣的單元功率放大器,輸入反射係數為Γin,下圖是整個訊號流(signal flow)的分析過程,可以發現無論單元功率放大器(unit power amplifier)輸入阻抗是多少,只要兩個是單元放大器是一樣的情況下,反射波在輸入端(input port)會被抵銷,也就是S11會很好(ex  -20dB以下這種等級)



    如果用同相位in-phase的功率合併器類似wilkinson power divider呢?一樣用相同訊號流的方法反射功率會在輸入埠(input port)出現,也就是S11不等於零。



    實做部分可以參考[4] mini circuit用他們產品PA + Hybrid Coupler實作的範例,從數據資料input return lossoutput return loss可以單元放大器原本只有-4dB,依靠平衡式放大器的架構,輸入與輸出可以不用特別匹配依靠Hybrid Coupler的特性就可以達到輸入與輸出良好的匹配結果,注意這裡的匹配不是針對功率放大器負載線,本身PA如果要推出對應的功率,負載線還是需要計算處理功率才出的來。

 




    整個分析過程顛倒過來看從輸出口Output Port往內看也一樣,所以平衡式放大器的Excellent Impedance Match是站在發射機Transmitter或天線Antenna的視角來看,這好處是即使每一批單元放大器(unit power amplifier)因為製程偏移,或工作溫度與電壓導致輸入與輸出阻抗與上一批不一樣,只要耦合器特性沒跑,這點都會被自動修正回來

 


平衡式放大器面對天線失配 Ruggedness under Load Mismatching

    那平衡式放大器兩個單位放大器都會經過3dB耦合器,這路徑似乎可以等校成3dB衰減器?文獻[5]也是用類似方式估算,如果是這樣負載的失配經過這個衰減路徑那不就降低了反射的能量。

    文獻[5]看起來好像是可以,但這是有問題的,我們跟著射頻訊號RF signal一起走一遍看看最後單元功率放大器看到了什麼?




平衡式放大器輸出失配分析

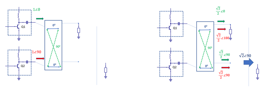
    假設單元功率放大器輸出振幅相同1V相位為90度,經過無損對稱3dB90度的Hybrid Coupler,在隔離口訊號會抵銷,在輸出口(Output Port)訊號會合併加成為(2)V相位90度(也就是功率多3dB的意思),跟任何其中一路的振幅1V相比變大變大變大了



    負載反射係數為Γ,反射回到Q2單位功率放大器雖然路徑是經過了3dB衰減,但就跟先前提過負載調製一樣,Q2看到的電壓反射波要把隔壁Q1的訊號加進來看,所以在負載端入射電壓波大小已經合成變大到(2)V,計算一下分別Q1Q2看到的反射訊號如下:




    這時候你應該已經發現反射波並沒有因為經過3dB的衰減路徑有變小,計算一下Q1Q2分別看到的反射係數Γ為如下,Q1與Q2看到的反射係數大小與負載端是一樣。

Γ_Q1 = Γ Ang(180)

Γ_Q2 = Γ Ang(0)





所以結論就是並不會電流除以2或電壓除以2沒有任何幫助,負載阻抗的變化會直接反應在某一路單元功率放大器,但與差分180度合路架構相較之下,平衡式功率放大器有一個有趣的特點,剛剛計算起來每一路Q1Q2看到的反射係數並沒有因為合路器3dB的衰減減小,但兩路單位PA看到的失配相位會剛好相差180度,與差分架構兩個單位PA會看到相同的反射係數Γ與相位不同



健壯性Ruggedness失效率變高兩倍

因為兩路PA分別看到阻抗相差180度,所以當負載端失配的時候,兩路PA Q1Q2分別會看到的電壓擺幅會一大一小。







如果單位PA存在死區Dead Zone,當負載失配下在特定的相位下某一路單位PA會先掛,在PA健壯性Ruggedness測試中,相位順時針轉與逆時針轉一圈,某一個相位Q1會掛,另外一個相位則是Q2會掛,這樣實際上PA會失效的區域就會變大兩倍。

 


失配下電流的一致性

    平衡式功率放大器可以抵抗失配下阻抗變異,所以Ruggedness、電流與線性度EUTRA一致性都比較好,Ruggedness部分前面已經解釋過了,但還是有朋友提到某PA廠商用了平衡式功率合路架構,測試負載變化(Load-Pull)時電流變化相對小,這不就代表這架構能抵抗負載變化嗎?

    其實原理是來自平衡式放大器負載失配下每一路單位放大器 Q1Q2看的阻抗不同有關,大部分的手機PA50端電流與負載contours大部分都長的如下圖的樣子,當負載拉到電流最大的相位位置,反相180度對面的位置通常都為電流最低的位置,會說通常是消費端的PA設計出來的確都類似這行為,但不代表這是全部射頻放大器的通則。



     在這個條件下當負載失配讓Q1看到最大電流的相位時候,Q2剛好看到的阻抗是電流最低的位置,因為這個關係如果一樣的單位放大器PA一個採用平衡功率合路方式與差分功率合路方式在失配的情況下Q1Q2電流會互相抵銷,效果會讓人覺得有抵抗阻抗的變化。 

 


    如果是站在線性度EUTRA的角度,是不是好處就很難說了,如果最佳線性度點並不是設計在50正中間,當應用要用外部匹配讓PA看到線性度比較好的區域,這時候平衡式合路架構會跟電流合路結果類似,Q1看到最好的位置,Q2就會相對差,整體看起來是很平均,但反之你也找不到一個好的點來用。

 


平衡式放大器其中一路掛掉功率會少3dB or 6dB?

    一般的教科書都會提到平衡式放大器優點時,一般都會講到可靠性,當其中一路單元功率放大器因為某些原因失效了,整個PA Module還能正常工作,其實這也不是平衡是放大器的優點,只要用到功率合併器(Power Combiner)都是類似的原理,但功率會少多少dB?  

    這個問題有興趣的可以參考之前寫過的文章[6]” 訊號一樣大加在一起是多3dB還是6dB? Wilkinson Power Divider: Power Sum(3dB) or Voltage Sum (6dB)”

    透過簡單的訊號流程圖我們也可以得到6dB這答案,所以下次不要在用猜的,化身成電磁波跟著訊號一起走一遍就知道了。

 


結論

   目前市面上射頻放大器功率要求越來越高,從原本的PC3PC2,衛星通訊統破天技術都一在要求放大器能提供更大的輸出功率,更低的電流,與更好的可靠性等等,所以引進了功率合成的架構來提高負載阻抗改善效率。

     一般常見的功率合成方法為差分(Transformer or Balun同一個東西),與平橫式架構使用90Hybrid Coupler兩種,平衡式放大器能低抗阻抗變化這說法其實也不能說不對,只是有些你認為的抵抗阻抗變化跟它實際工作的機制不太一樣,例如電流在失配情況下變化比較小,這的確是這個架構帶來的,但不能說這電路架構能抵抗阻抗的變異。

    功率放大器失配下的健壯性PA Ruggedness under Mismatching原理其實大家都聽的差不多,但這特性說實在從設計,元件製程與應用保護電路(OVP, OCP, ODP…)共同協作的綜合指標,某些理論只能說理論上趨勢上是這樣Ruggedness工作算是大訊號中的大訊號PA都工作在飽和狀態,目前的靠電腦EDA預測結果還是太有限,完整的驗證與監控還是目前保證PA Ruggedness最有效的方法之一,下次有機會就談談我目前打工的公司銳石創芯在這一塊的投入吧 。

 

參考文獻

[1] Z. Zakaria, M. Fadzil, A. R. Othman, A. Salleh, A. Isa, N. Haron, Published 1 May 2014 Business, “Development of Wideband Power Amplifier for RF / Microwave Front-End Subsystem”

[2] “手機功率放大器功率合併的方法Smart Phone Power Amplifier Power Combination Method”

https://emilymacgyfu.blogspot.com/2022/05/smarter-phone-power-amplifier-power.html

[3] Steve C. Cripps RF Power Amplifier for Wireless Communications

[4] Mini-Circuits, Brooklyn, N.Y. November 13, 2015, “Extending the Bandwidth of Narrowband Matched MMIC Power Amplifiers”

https://www.microwavejournal.com/articles/print/25458-extending-the-bandwidth-of-narrowband-matched-mmic-power-amplifiers

[5] Inoh Jung, Mincheol Seo, Jeongbae Jeon, Hyungchul Kim, Minwoo Cho, Hwiseob Lee and Youngoo Yang, “Analysis on the Balanced Class-E Power Amplifier for the Load Mismatch Condition”

[6] “訊號一樣大加在一起是多3dB還是6dB? Wilkinson Power Divider: Power Sum(3dB) or Voltage Sum (6dB)”

https://emilymacgyfu.blogspot.com/2016/01/power-divider-power-sum6db-or-voltage.html

[7] Chiara Ramella, Anna Piacibello, Roberto Quaglia, Vittorio Camarchia and Marco Pirola,“High Efficiency Power Amplifiers for Modern Mobile Communications: The Load-Modulation Approach”

https://www.mdpi.com/2079-9292/6/4/96

 

 

 

熱門文章